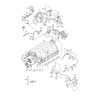
CИСТЕМА ВПУСКА ВОЗДУХА (133-60)
|
|
||||
| ПОЗ | НОМЕР | НАИМЕНОВАНИЕ | ПРИМЕЧАНИЕ | КОЛ | ПРИМЕНЕНИЕ | ЦЕНА |
|---|---|---|---|---|---|---|
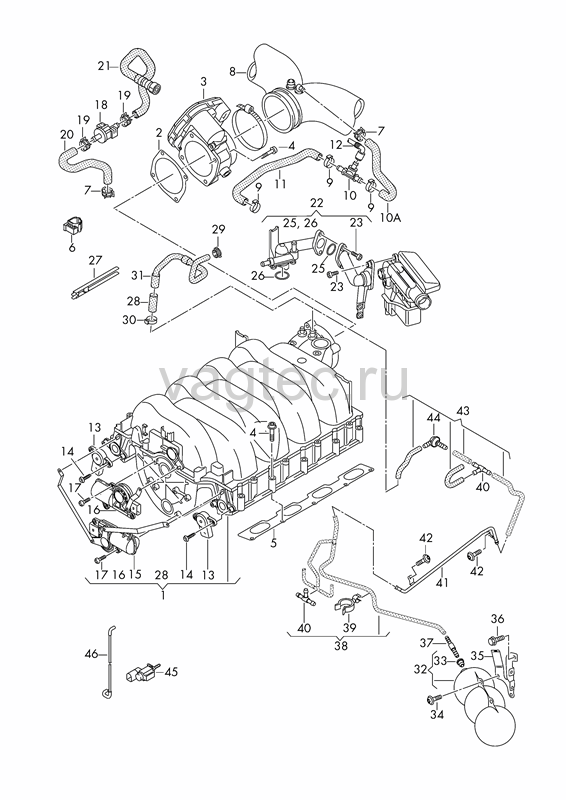
| Cистема впуска воздуха Эжекционный насос F >> 7L-9-030 000* | 4,2 л. | 8-цилинд.+ BAR | ||||
| 1 | 079133185BN | Всас. коллектор с изм. длиной | 1 | Цена | ||
| 2 | 079133073A | Прокладка | 1 | Цена | ||
| 3 | 077133062A | Корпус дроссельной заслонки | 1 | Цена | ||
| 4 | N 91126201 | Винт с внут. TORX (с шайбой) | M6X52 | 14 | Цена | |
| 5 | 079133074B | Прокладка | 2 | Цена | ||
| 6 | 1C0422705B | пружинный зажим | X | Цена | ||
| 7 | N 90686701 | Хомут | 14X12 | X | Цена | |
| 8 | Фланец воздуховода см. панель иллюстраций: | 129-45 | ||||
| 9 | N 10201801 | Хомут | 21X7X0,60 | X | Цена | |
| (9) | N 10199201 | Хомут | 15,7X7X0,60 | X | Цена | |
| 10 | 079133753 | Эжекционный насос использовать с: | *>>F7L7070855 079 133 783 AG | 1 1 | Цена | |
| 10A | 079133783AG | Шланг соединительный | 1 | Цена | ||
| 11 | 079133783H | Шланг соединительный | прав. | 1 | Цена | |
| 12 | Вакуумная труба см. панель иллюстраций: | ЛВPЛ 611-70 | ||||
| 12 | Вакуумная труба см. панель иллюстраций: | ПPPЛ 611-75 | ||||
| 13 | 03C907386B | Потенциометр | G336 | 2 | Цена | |
| 14 | N 10549603 | Винт со скр.цил.гол.,внут.TORX | 4X16 | X | Цена | |
| 15 | 079129086B | Узел привода при необх. использов. с: | Пд Нж 07L 133 556 | 1 X | Цена | |
| 16 | 079129086C | Узел привода при необх. использов. с: | Пд Вх 07L 133 556 | 1 X | Цена | |
| - | 07L133556 | Cкоба предохранительная | 2 | Цена | ||
| 17 | WHT001481 | Винт с плоской головкой и внутренним TORX | 60X16 | 6 | Цена | |
| 18 | 06E906517A | Клапан | 1 | Цена | ||
| 19 | N 90768301 | Хомут | 14X12 | X | Цена | |
| 20 | 7L8133366 | Шланг соединительный | 1 | Цена | ||
| 21 | 7L8133366A | Шланг соединительный | 1 | Цена | ||
| - | 1C0422705B | пружинный зажим | 1 | Цена | ||
| 22 | 079133424R | Адаптер | 1 | Цена | ||
| 23 | N 10124306 | Винт со скр.цил.гол.,внут.TORX | M6X20 | 4 | Цена | |
| 25 | N 90903701 | Уплотнит. кольцо | 32,99X2,62 | 1 | Цена | |
| 26 | N 90465001 | Уплотнительное кольцо | 23X2,6 | 1 | Цена | |
| 27 | 4A0820199 | Cоединитель проводов, двойной | 7X213/140MM | X | Цена | |
| 28 | 8E0201144 | Колпачок | 7,3X30 | 1 | Цена | |
| 29 | N 10310001 | Хомут | 11,9X7X0,6 | 1 | Цена | |
| 30 | N 10196901 | Хомут | 14,8X7X0,60 | 1 | Цена | |
| 31 | 7L8133778 | Вакуумный шланг F >> 7L-7-150 000 | 1 | Цена | ||
| 32 | 7L6131541 | Pесивер F 7L-8-050 001>> | 1 | Цена | ||
| 33 | 431820667 | Насадка/наконечник F 7L-8-050 001>> | 1 | Цена | ||
| 33 | 431820667 | Насадка/наконечник F 7L-8-050 001>> | 1 | Цена | ||
| 34 | N 90944603 | Винт с внутренним TORX F 7L-8-050 001>> | M5X12 | 2 | Цена | |
| 35 | 7L8133336 | Крепление вакуумного ресивера F 7L-8-050 001>> | 1 | Цена | ||
| 36 | N 90440706 | Болт с шестигранной головкой F 7L-8-050 001>> | M6X15 | 2 | Цена | |
| 37 | 079133382B | Патрубок F 7L-8-050 001>> | 8/8 | 1 | Цена | |
| 38 | 7L8133778C | Вакуумный шланг F 7L-8-050 001>> | 1 | Цена | ||
| (39) | 4A0820199 | Cоединитель проводов, двойной F 7L-8-050 001>> | 7X213/140MM | 1 | Цена | |
| 40 | 2D0129737A | Tройник Т-образной формы F 7L-8-050 001>> | 4-4-4 | 1 | Цена | |
| 41 | 079133778A | Вакуумная труба F 7L-8-050 001>> | 1 | Цена | ||
| 42 | N 91073301 | Винт с плоской головкой и внутренним TORX F 7L-8-050 001>> | M6X12 | 2 | Цена | |
| 43 | 7L8133778B | Вакуумный шланг F 7L-8-050 001>> | 1 | Цена | ||
| 44 | 058905291B | Клапан обратный F 7L-8-050 001>> | 1 | Цена | ||
| 45 | Электромагнитный клапан F 7L-8-050 001>> см. панель иллюстраций: | 131-25 | ||||
| 46 | Вакуумная труба F 7L-8-050 001>> см. панель иллюстраций: | 131-10 |


